产品名称
SC7A20
应用
手机
PAD
手环
体感遥控器
导航仪
产品概述
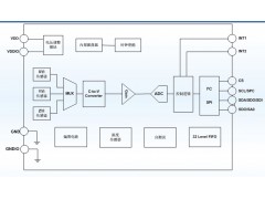
SC7A20是一款*数字三轴加速度传感器芯片,内置功能更丰富,功耗更低,体积更小,测量更。芯片通过I2C/SPI接口与MCU通信,加速度测量数据以中断方式或查询方式获取。INT1和INT2中断管脚提供多种内部自动检测的中断信号,适应多种运动检测场合,中断源包括6D/4D方向检测中断信号、自由落体检测中断信号、睡眠和唤醒检测中断信号、单击和双击检测中断信号。芯片内置*校准模块,对传感器的失调误差和增益误差进行补偿。±2G、±4G、±8G和±16G四种可调整的全量程测量范围,灵活测量外部加速度,输出数据率1HZ和400HZ间可选。芯片内置自测试功能允许客户系统测试时检测系统功能,省去复杂的转台测试。芯片内置产品倾斜校准功能,对贴片和板卡安装导致的倾斜进行补偿,不占系统资源,系统文件升级不影响传感器参数。
主要特点
宽电压范围1.71V-3.6V
1.8V兼容数字IO口
低功耗模式下电源电流低至2μA
±2G/±4G/±8G/±16G动态全量程范围
I2C/SPI数字输出接口
6D/4D方向检测
自由落体检测
单击双击检测及运动检测
可编程中断生成电路
内嵌自测试功能
内嵌FIFO
10000g高G抗击能力


